基本信息
杜邦超滤 (UF) 模块由高机械强度的材料制成。
强度的 PVDF 中空纤维膜。这些组件具有出色的性能和行业领先的膜面积。这些组件具有以下性能和特点:
• 标称孔径为 0.03 微米,可去除细菌和病毒、
和包括胶体在内的微粒,以保护下游工艺,如反渗透
• PVDF 聚合中空纤维,具有高机械强度和高抗冲击性。
耐化学腐蚀性能可延长膜的使用寿命并确保其可靠运行。
• 亲水性 PVDF 纤维易于清洁和润湿,有助于保持长期业绩
• 与内向外配置相比,外向内流配置允许进水中含有多种固体物质,
从而最大限度地减少了对预处理工艺的需求,并减少了反冲洗量 U-PVC 外壳,有助于消除对昂贵的压力容器的需求
2860 的长度较短,建议用于较小的系统和对建筑高度有要求的地方。在相同占地面积的情况下,2880型的膜面积更大,设计更经济。
杜邦超滤模块可用于地表水、海水、工业废水和城市污水等多种处理应用。
产品规格
产品 | 类型 | 膜面积㎡ | 英尺 | 公升 加仑 | 公斤(空/注水) | 磅 |
SFP-2860 | 工业 | 51 | 549 | 35 9.3 | 48/83 | 106/183 |
SFD-2860 | NSF/ANSI 61 饮用水 | 51 | 549 | 35 9.3 | 48/83 | 106/183 |
SFP-2880 | 工业 | 77 | 829 | 39 10.3 | 61/100 | 135/220 |
SFD-2880 | NSF/ANSI 61 和 419 饮用水 | 77 | 829 | 39 10.3 | 61/100 | 135/220 |
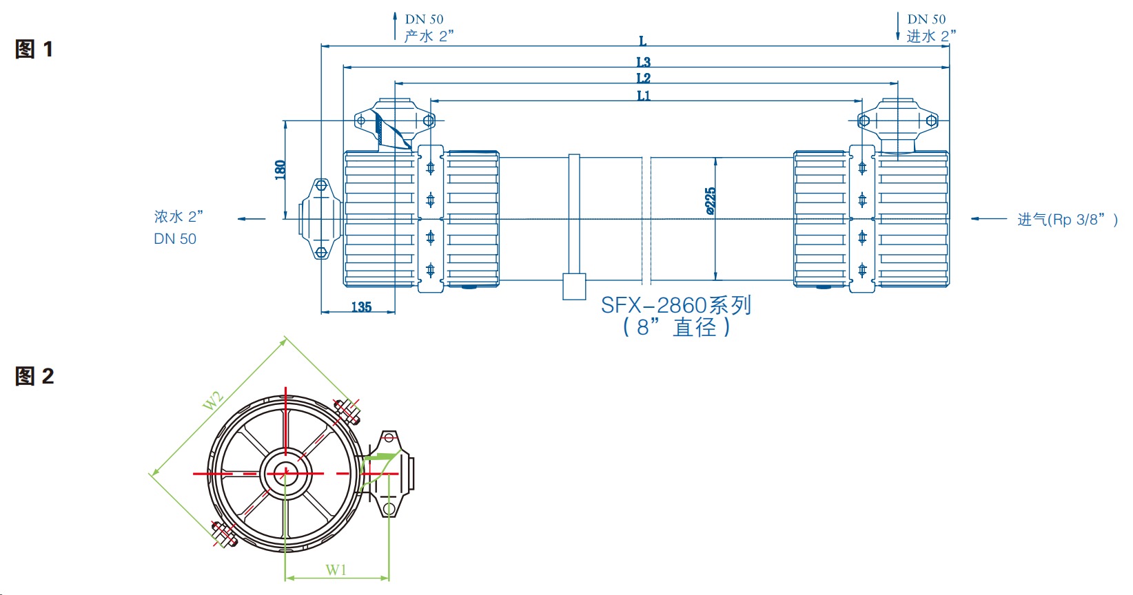
产品尺寸


产品 | 单位 | L | L1 | L2 | L3 直径D | W1 | W2 |
SFP-2860 和 SFD-2860 | 国际单位 (毫米) | 1860±3 | 1500 | 1630±3 | 1820±3 225 | 180 | 342 |
美制(英寸) | 73.2±0.1 | 59.1 | 64.2±0.1 | 71.7±0.1 8.9 | 7.1 | 13.5 | |
SFP-2880 和 SFD-2880 | 国际单位 (毫米) | 2360±3 | 2000 | 2130±3 | 2320±3 225 | 180 | 342 |
美制(英寸) | 92.9±0.1 | 78.7 | 83.9±0.1 | 91.3±0.1 8.9 | 7.1 | 13.5 |
建议运行条件
SI单位 | US单位 | |
滤液流量(25ºC) | 40 - 90 升/平方米/小时 | 24 - 53 gfd |
每个模块的流量范围1 | 2.0 - 6.9 立方米/小时 | 8.8 - 30.4 加仑 |
/分钟 温度 | 1 – 40ºC | 34 – 104ºF |
模块最大入口压力(20ºC) | 6.25 bar | 90.65 psi |
模块最大入口压力(40ºC) | 4.75 bar | 68.89 psi |
最大工作压力 2 | 2.1 bar | 30.5 磅/平方英寸 |
最大运行空气冲刷流量 | 12 m3/h | 7.1 scfm |
最大反冲洗压力2 | 2.5 bar | 36 psi |
工作 pH 值 | 2 - 11 | |
最大 NaOCl2 | 2,000 毫克/升 | |
最大粒径 | 300 微米 | |
流体 | 配置外部流入,死端流 | |
预期滤液浊度 | ≤0.1 NTU | |
预期滤液 | SDI≤ 2.5 |
性能优势
高效抗污染能力
采用亲水性PVDF材质及非对称膜结构设计,有效降低污染物附着,减少化学清洗频次,延长膜寿命。
宽泛化学耐受性
耐受pH范围2-11,可适应强酸/碱清洗及复杂水质条件,确保系统长期稳定运行。
高通量与低能耗
0.03μm精准孔径实现高精度过滤,结合优化流道设计,在低压下保持高透水量,降低运行能耗。
长寿命与高强度
增强型膜丝机械强度,抗断丝性能提升,使用寿命可达5年以上,降低维护与更换成本。
应用领域
工业废水处理与回用
适用于电镀、石化、印染等高污染废水处理,高效截留悬浮物、胶体及大分子有机物,实现达标排放或回用。
市政供水净化
去除水中细菌、病毒及颗粒物,出水浊度<0.1NTU,满足直饮水或高品质供水标准。
海水淡化预处理
作为反渗透系统的前置屏障,有效拦截胶体、微生物等污染物,延长反渗透膜寿命并降低运维成本。
食品与生物医药行业
用于果汁澄清、生物制剂分离及无菌工艺水制备,保障产品安全性与合规性(如GMP认证)。
杜邦超滤膜凭借抗污染、耐腐蚀、低能耗等优势,广泛应用于工业、市政及高精度分离领域,助力水资源高效利用与品质升级,适配复杂场景需求。
客户须知
华淼沁水处理经销出售杜邦全系列工业滤膜,确保膜组件都是原装全新正品,具备原厂检测报告和产品说明,同时提供系统的应用解决方案和售后维护。大力鼓励客户立足于人类健康和环境质量,确保杜邦产品不用于预定或测试用途之外的用途。我们可解答您的问题,并提供合理的技术支持。在使用杜邦产品之前,应先查看产品说明(包括注意事项)。华淼沁可提供最新的产品数据表,并致力于提高产品的使用周期和效益,降低客户运行成本。