基本信息
原杜邦™ DuPont™ IntegraFlux™ SFP 2660 超滤膜
产品特点
经过验证的亲水 PVDF 纤维:
• 卓越的抗污染和耐氯性能。
• 胶体颗粒、细菌和病毒对数去除率高。
• 易于清洗和润湿。
优化的膜组件设计:
• 开放式组件设计,可与客户制造的撬装设备相匹配。
• 设计紧凑,适合处理量较小的系统。
• 气洗耐受性高,运行回收率高。
• 通过维护清洗减少化学品消耗。
• 材料坚固,使用寿命长。
• 安装简单,维护成本低。
应用领域
适用于高回收率和处理量 较小的过滤系统:
• 工业用水
• 工业废水回用。
• 市政废水过滤。
• 反渗透预处理
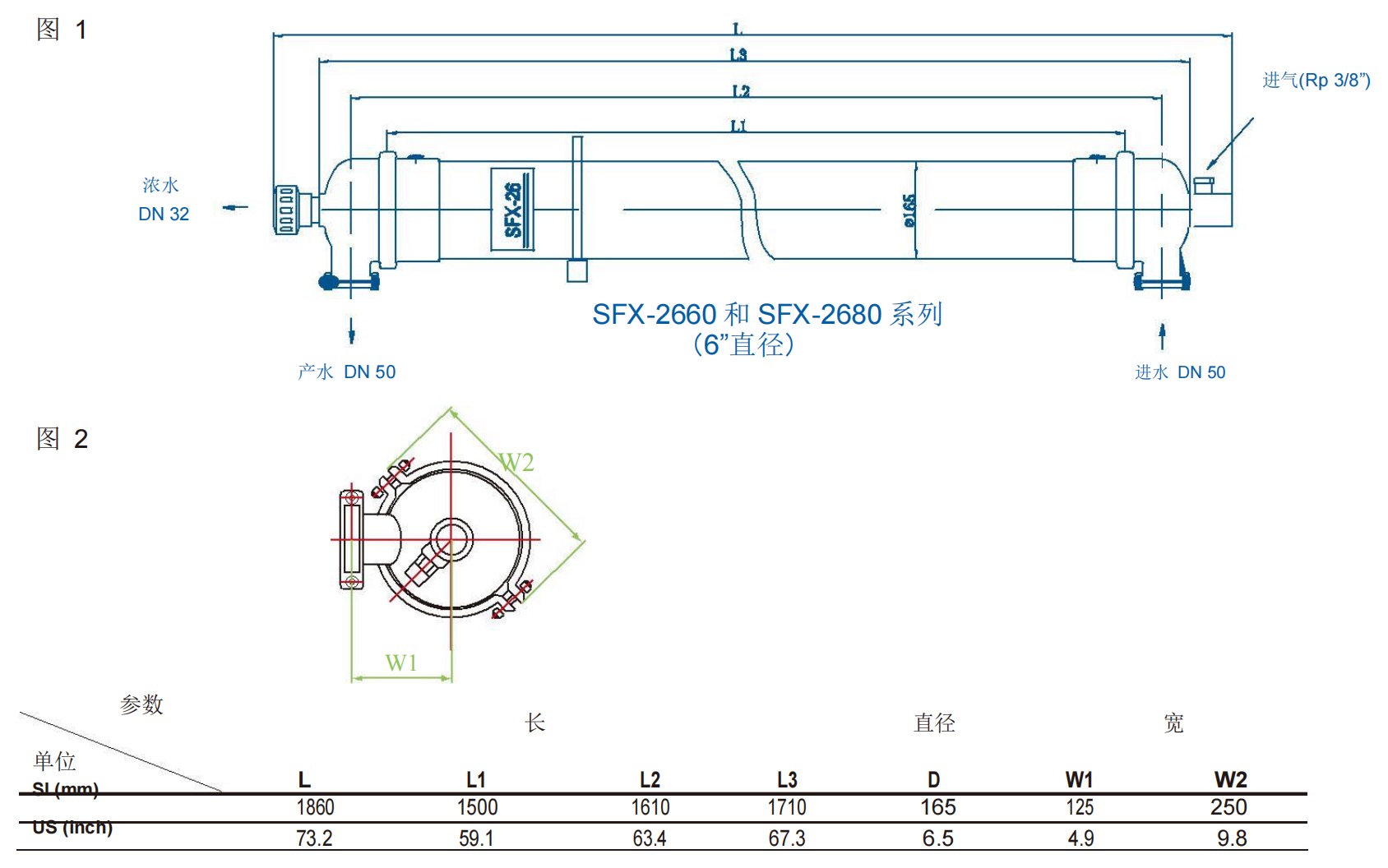
膜组件规格
常规 | |
常规 部件编号 / GMID |
SFP-2660: 10380855 / SFD-2660: 10380857 |
过滤方式 | 外压 |
膜类型 | 中空纤维膜丝 |
膜材料 | PVDF (聚偏氟乙烯) |
公称膜孔径 | 0.03 微米 |
膜组件运行方式 | 死端过滤 |
其他润湿模块组件 尺寸 | 聚氨酯, uPVC, EPDM, and ABS |
尺寸 | |
有效膜面积 | 33 m² 355 ft² |
模块总长度(L) | 1,835 ± 3.0 mm 72.2 ± 0.1 inch |
模块长度 (L1) | 1,500 ± 3.0 mm 59.1 ± 0.1 inch |
模块长度 (L2) | 1,610 ± 3.0 mm 63.4 ± 0.1 inch |
模块长度 (L3) | 1,710 ± 3.0 mm 637.3 ± 0.1 inch |
膜组件直径(D) | 165 mm 6.5 inch |
模块宽度 (W1) | 125 mm 4.9 inch |
模块宽度 (W2) | 250 mm 9.8 inch |
进料口/滤液口 DN50 (d) 重量与体积 | 51 mm 2.0 inch |
重量与体积 | |
运输重量 | 30 kg 66 lbs. |
空重 | 25 kg 55 lbs. |
填充重量 | 41 kg 90 lbs. |
进水侧充水体积 (在线清洗= CIP) 1 | 14 L 3.7 gal |
膜结构充水体积 (CIP) | 6 L 1.6 gal |
过滤侧充水体积 (CIP) | 4 L 1.0 gal |

建议运行条件
常规 | ||
常规 运行pH | 数值 2 - 11 | |
清洗pH | 2 - 12 | |
典型跨膜压差(TMP) | 0.4 - 1.5 bar | 5.8 - 21.8 psi |
典型反洗压差(TMP) | 0.6 - 2.0 bar | 8.7 - 29.0 psi |
反洗方式 | 带水气洗,水反洗 | |
反洗通量 | 100 L/(m²h) | 58.8 gfd |
反洗流量 工作限制(最大值) | 3.3 m3h | 14.6 gpm |
工作限制(最大值) | ||
压力变化率 | 0.5 bar/sec | 7.3 psi/sec |
进水压力 | 6.25 bar (at 20 °C) | 90.7 psi |
过滤系统 跨膜压差TMP | 2.1 bar | 30.5 psi |
反冲洗 跨膜压差TMP | 2.5 bar | 36 psi |
过滤通量 | 110 L/(m²h) | 64.5 gfd |
过滤流量 | 5.6 m³/h | 24.8 gpm |
反洗通量 | 120 L/(m²h) | 70.6 gfd |
颗粒粒径 | 300 µm | |
NaOCl 接触 | ≤ 1,500,000 ppm x h | |
推荐NaOCl最大耐受浓度 NaOCl | 2,000 ppm |
性能优势
高效通量与低能耗
采用增强型PVDF中空纤维膜,孔径分布均匀(~0.03μm),运行通量高达80-120 LMH(升/平方米·小时),在低跨膜压差(TMP<0.1 MPa)下实现高水回收率,能耗较传统工艺降低20%以上。
卓越抗污染性能
膜表面经永久亲水改性,结合优化的流道设计,显著减少有机物、胶体及微生物附着,化学清洗频率延长至3-6个月(视水质),清洗药剂用量减少30%,运维成本更低。
超强机械稳定性
单根膜丝断裂强度>250N,耐受反洗压力3.5 bar,配合高强度ABS膜壳设计,抗频繁气水双洗冲击,使用寿命可达5-8年(市政水条件下),破损率<0.1%/年。
宽化学耐受性与适应性
支持pH 1-13的极端清洗环境,耐受余氯浓度200 ppm,可兼容次氯酸钠、柠檬酸等强氧化/酸性清洗剂,适用于高浊度地表水、工业废水及海水预处理等复杂水质场景。
模块化智能集成
标准膜组件(如8英寸)采用低阻力端盖设计,易于堆叠扩容,适配自动化控制系统,支持远程监测跨膜压差、通量等参数,提升系统稳定性和管理效率。
应用提示:SFP2660适用于市政供水、工业回用及海水淡化预处理,选型时需结合水质SS(悬浮物)、COD等指标,建议通过杜邦官方技术评估优化运行参数。
客户须知
华淼沁水处理经销出售杜邦全系列工业滤膜,确保膜组件都是原装全新正品,具备原厂检测报告和产品说明,同时提供系统的应用解决方案和售后维护。大力鼓励客户立足于人类健康和环境质量,确保杜邦产品不用于预定或测试用途之外的用途。我们可解答您的问题,并提供合理的技术支持。在使用杜邦产品之前,应先查看产品说明(包括注意事项)。华淼沁可提供最新的产品数据表,并致力于提高产品的使用周期和效益,降低客户运行成本。